Analogu3 Beat

2022 Problem 05

Isaac P Abraham
​
2022 Apr 02
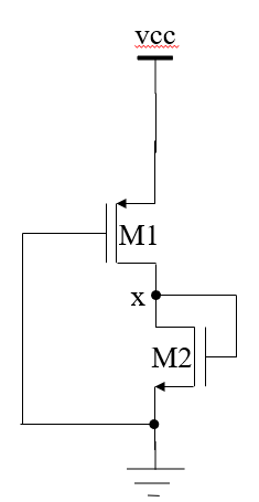
Consider the simple bias generator featured in Figure 24 [1]. Determine vx and the region of operation of M1 and M2. Example answers: (i) vx = VT, M1 linear, M2 saturated or (ii) vx > vcc/2, M1 saturated, M2 saturated or (iii) VT ≤ vx ≤ vcc, M1 saturated, M2 linear or (iv) something like that.
[1] Pretl, H. and Eberlain, M., “Fifty Nifty Variations of Two-Transistor Circuits”, Summer 2021.
■ Reply no later than a couple of days before the end of the month to isaac.abraham@intel.com, Subject “Analog Beat 2022 Problem #”. Last reply of multiple replies will be considered. Earlier replies help with tie-breaks at the end.