2020 Solution 05
2020 Solution 05
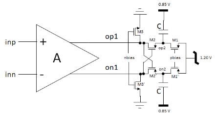
Consider the negative impedance network designed independently of the opamp A, and connected to the output of the amplifier A.
The devices M3,M3’:
(a) are required. Their purpose is to help tune the dc voltage at (op1, on1) to that from the amplifier.
(b) are not required. They MUST be removed for proper circuit operation.
(c) are optional. Matching the dc voltage at (op1, on1) can be done more efficiently solely by adjusting pbias (if M3 and M3' are removed).
(d) are required. They provide common-gate amplification of the differential signal at (op1, on1).
(e) are required. They provide degeneration to the signal at (op1, on1).
(a) are required. Their purpose is to help tune the dc voltage at (op1, on1) to that from the amplifier.
(b) are not required. They MUST be removed for proper circuit operation.
(c) are optional. Matching the dc voltage at (op1, on1) can be done more efficiently solely by adjusting pbias (if M3 and M3' are removed).
(d) are required. They provide common-gate amplification of the differential signal at (op1, on1).
(e) are required. They provide degeneration to the signal at (op1, on1).