2019 Problem 11
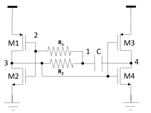
Consider the circuit below.
T
h
e
f
r
e
q
u
e
n
c
y
o
f
o
s
c
i
l
l
a
t
i
o
n
i
s
,
(
a
)
1
R
1
C
(
b
)
1
R
2
C
(
c
)
1
(
R
1
+
R
2
)
C
(
d
)
1
(
R
1
/
/
R
2
)
C
(
e
)
1
(
R
1
R
2
)
C