2019 Problem 07
2019 Problem 07
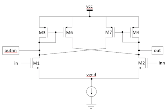
Consider the transistor based circuit below.
This circuit is best described as,
(a) an analog amplifier,
(b) an analog amplifier with hysteresis,
(c) a comparator with hysteresis,
(d) a unity gain analog buffer.
(a) an analog amplifier,
(b) an analog amplifier with hysteresis,
(c) a comparator with hysteresis,
(d) a unity gain analog buffer.