Validating Thermal Runaway Risk in Process Plants

How can you ensure a chemical process won’t cross into dangerous thermal runaway? This example demonstrates how to model a reactive chemical system and validate safety constraints under varying initial reactant concentrations to detect early signs of decomposition that could lead to catastrophic thermal escalation.
Load the Business Simulation library and import the model of a thermal runaway:
(Press Shift + Enter to evaluate.)
In[]:=
CloudImport["https://www.wolframcloud.com/obj/7435a644-6ec7-4a8d-9989-46c1206ad3cc","MO"];​​ImportString
model string
,"MO";​​trmodel=SystemModel["ThermalRunaway"];

Model the Reaction System

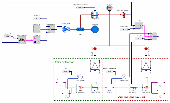
The chemical reaction system is modeled with detailed kinetic equations, capturing temperature-dependent reaction rates, heat generation, and cooling mechanisms. The model accounts for real plant constraints and dynamic feedback.
In[]:=
SystemModel[trmodel,{"Diagram",ImageSizeLarge,FrameFalse}]
Simulate the model with different initial values for the concentrations of one the reactants:
In[]:=
trsims=​​SystemModelSimulate/@(SystemModel[trmodel,<|"ParameterValues"{"reactantA.initialValue"#},"ModelName""TR"<>ToString[#]|>]&/@Range[20,100,20]);

Define the Safety Requirement

To prevent decomposition reactions of the products, the temperature in the reaction tank must remain below the decomposition activation threshold. A formal safety requirement is therefore defined: the temperature must not exceed this threshold across all tested operating scenarios.
In[]:=
trval = SystemModelValidate[ trsims, SystemModelAlways[t, "container.T"[t] < "activationT.y"[t]]]
Out[]=
SystemModelValidationData
Model: TR20
Success rate:
20.%
, 4 failures

Show the failure plot:
In[]:=
trval["FailurePlot",1]
Out[]=

Check Failure Configurations

Retrieve the failure configurations and explore mitigation strategies such as lowering initial reactant concentrations, enhancing the cooling system capacity, or adjusting reaction kinetics through catalysts.
Extract the stored failure configuration:
In[]:=
trfailConfig=Extract[trsims,trval["ConfigurationsPosition"]]
Out[]=
SystemModelSimulationData
Model: TR40
Time: 0. to 30.

Plot the tank and activation temperatures:
In[]:=
SystemModelPlot[ Extract[trsims, trval["ConfigurationsPosition"]], {"container.T", "activationT.y"}]
Out[]=
container.T
activationT.y
​